石家庄品茶QQ方式,400元3小时上门二维码,深圳新茶嫩茶VX

山东山维液压机械有限公司 欢迎您!  液压千斤顶|德州液压 设为首页  |  加入收藏
产品展示   |   质量为先、诚信为本、互惠互利!

当前位置:主页 > 产品展示 > 公司产品

DBC系列电动油泵

产品介绍:

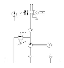
DBC系列电动泵站是由超高压定量柱塞泵、溢流阀、电磁换向阀、单向阀、电机、油箱、仪表等组成的独立完整的液压动力装置,具有结构简单、操作方便、自动控制等特点。换向阀采用电磁换向阀,可实现按钮控制及远距离操纵。

本泵站为单级泵、可实现自动化等功能,可配手动或脚跳开关。

液压原理图:


 

 

主站蜘蛛池模板: 永年县| 思茅市| 罗山县| 永和县| 临武县| 永德县| 东乡族自治县| 三原县| 泽普县| 宜阳县| 宜良县| 长岛县| 云南省| 大厂| 卢氏县| 拉萨市| 新绛县| 新竹市| 平邑县| 东至县| 连江县| 浑源县| 道真| 涞源县| 水城县| 措美县| 额尔古纳市| 赤峰市| 景东| 来凤县| 阜南县| 阿瓦提县| 新建县| 娱乐| 青河县| 理塘县| 微博| 颍上县| 博白县| 城口县| 宜良县|