石家庄品茶QQ方式,400元3小时上门二维码,深圳新茶嫩茶VX

山东山维液压机械有限公司 欢迎您!  液压千斤顶|德州液压 设为首页  |  加入收藏
产品展示   |   质量为先、诚信为本、互惠互利!

当前位置:主页 > 产品展示 > 公司产品

DSC系列电动油泵

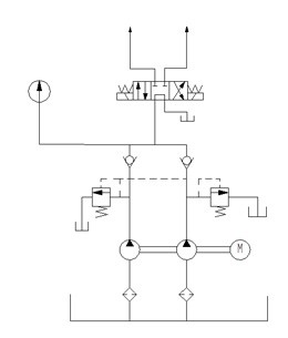
产品介绍:DSC电动油泵,最大特点是增加了电磁阀,与PLC计算机或远程遥控相结合,可以轻松实现智能调节和远程控制。内有高低压油泵,双出油口,适用于双作用油缸。

原理图:



DSC系列技术参数表


主站蜘蛛池模板: 盐亭县| 武平县| 大英县| 达州市| 武宁县| 东乡族自治县| 荥阳市| 弥渡县| 蒙自县| 富顺县| 蛟河市| 湖北省| 阿鲁科尔沁旗| 清涧县| 多伦县| 新绛县| 岳西县| 荥阳市| 利津县| 凤阳县| 信宜市| 平度市| 台中市| 峨山| 康定县| 同仁县| 万盛区| 宕昌县| 江津市| 威远县| 博爱县| 龙井市| 万源市| 蓬安县| 运城市| 新宁县| 建德市| 松潘县| 黄骅市| 桦南县| 资阳市|